Our Services

Amtech provides a total customer support including installation, commissioning, automation and engineering services for industrial motor control applications.



Installation & Commissioning


Automation Engineering


PLC Programming


Retrofit Solutions


Training


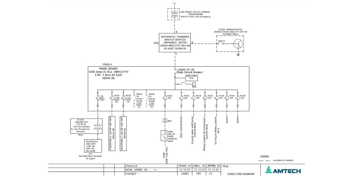
Engineering Drawings

Complete Service Support

Our experienced engineering team provides unmatched competitive service support for drive systems and industrial automation. From system design to installation and maintenance, Amtech ensures reliable performance of your equipment.

  • Unmatched competitive service support
  • Pre & post sales application & engineering support
  • Application engineering and system designing
  • Installation and commissioning of Amtech products
  • Training on operation and maintenance
  • PLC programming
  • Annual maintenance contract
  • Engineering Drawings
  • Power system analysis including short circuit coordination and arc flash studies
  • Retrofit solutions

Need Service Support?

Our engineering team is ready to assist you with installation, automation integration and system upgrades.